Weiterführende
Informationen
|
Im Teil 2
weiterführende Informationen in Form von Steckerbelegungen
relevante Schaltpläne.
Belegung DME
Steuergerät 55 Pins Motronic 1.3
|
| Pin |
Kabelfarben |
Belegung |
1
|
sw
|
Zündspule Ausgang (Klemme 1)
|
2
|
br
|
Masse
|
3
|
brgn
|
Ansteuerung
Benzinpumpenrelais (Masse)
|
4
|
wsge
|
Leerlaufregler öffnen
|
5
|
br
|
Ansteuerung
Tankentlüftung
|
6
|
sw
|
td Signal
(Drehzahlausgang für Cockpit)
|
| 7 |
grge
|
Luftmengenmesser
Eingangssignal
|
8
|
sw
|
Impulsgeber
Zylindererkennung
(6 Zylinder) Pin 1
|
9
|
|
|
| 10 |
ge
|
Lambdasonde
Masse
|
| 11 |
|
|
12
|
grws
|
Luftmengenmesser
Versorgungsspannung
|
| 13 |
wsge
|
RXD
Diagnose Weckleitung
|
| 14 |
|
Einspritzventile
Masse
|
| 15 |
gr
|
Fehlerlampe
|
| 16 |
brws
|
Einspritzventile
Bank 2 (1-3-5)
|
17
|
brge
|
Einspritzventile Bank 1
(2-4-6)
|
| 18 |
rt
|
Klemme 30
Dauerplus
|
| 19 |
bror
|
Masse
Elektronik
|
| 20 |
|
|
21
|
|
|
22
|
wsgn
|
Leerlaufsteller schliessen
|
23
|
brgn
|
(Relais 3)
|
24
|
br
|
Masse restliche Endstufen
|
25
|
|
|
26
|
grbl
|
Luftmengenmesser Masse
|
27
|
gn
|
Klemme 15
|
28
|
sw
|
Lambdasonde Signal
|
29
|
swws
|
Tachosignal Eingang
|
30
|
|
Geber Masse
|
31
|
ge
|
Impulsgeber
Zylindererkennung (6.
Zylinder) Pin 2
|
32
|
wssw
|
ti Signal
(Verbrauchsanzeige für Cockpit)
|
33
|
br
|
KD ?
|
34
|
|
|
35
|
|
|
36
|
br
|
DME Relais Masseausgang
für Ansteuerung 85
|
37
|
rtbl
|
U Batterie über DME
Relais 87
|
38
|
swvi
|
Schnittstelle DWA
(blockiert bei 12V plus)
|
39
|
gnbl
|
Programmierspannung Eingang
|
40
|
swgr
|
Schalter Klima Kompressor
|
41
|
swbl
|
Schalter Klima
|
42
|
brsw
|
Fahrstufenschalter
Automatikgetriebe
|
43
|
|
|
44
|
grvi
|
Luftmengenmesser
Temperaturfühler Ansaugluft
|
45
|
brrt
|
Temperaturfühler
Kühlwasser
|
46
|
|
|
47
|
sw
|
Induktivgeber (OT Geber)
Pin 1
|
48
|
ge
|
Induktivgeber (OT Geber)
Pin 2
|
49
|
|
|
50
|
|
|
51
|
brgr
|
Getriebeeingriff
(Automatikgetriebe) |
52
|
brbl
|
Drosselklappenschalter
Leerlauf
|
53
|
brsw
|
Drosselklappenschalter
Vollast
|
54
|
rt
|
Schalter Wandlerkupplung
(Automatikgetriebe)
|
55
|
wsvi
|
TXD
|
Belegung E30 Motorstecker
1989
|
| Pin |
Kabelfarben |
Belegung |
1
|
bl |
Ladekontrolleuchte Klemme 61
|
2
|
blsw
|
Ölniveau
statisch
|
4
|
brvi
|
Fernthermometer |
5
|
brgn
|
Öldruck |
6
|
gnge
|
Zündplus
gesichert (über Sicherung 9)
|
| 7 |
gn
|
Zündplus
ungesichert
|
8
|
wssw
|
Verbrauchsanzeige |
9
|
sw
|
Drehzahl |
| 10 |
bl
|
Ölniveau
dynamisch
|
| 11 |
wsbl
|
SI
Rückstellung
|
12
|
br
|
Check Leuchte im Cockpit
|
| 13 |
gnvi
|
Benzinpumpe |
| 14 |
swws |
Speedsignal |
| 15 |
swgn
|
Entlastungsrelais
|
| 16 |
wssw
|
Diagnose
Airbag
|
| 18 |
swge
|
Anlasser |
| 19 |
brvi
|
Öltemperatur
(M3 E30)
|
| 20 |
rtge
|
ABS
Versorgung
|
Belegung E30
Sicherungskasten
|
| Pin |
Kabelfarben |
Belegung |
1
|
7,5A
|
Fernlicht links
|
2
|
7,5A
|
Fernlicht
rechts
|
3
|
15A
|
Zusatzlüfter Stufe 1
|
4
|
15A
|
Blinker
|
5
|
|
|
6
|
7,5A
|
Bremslicht,
Tempomat
|
| 7 |
7,5A
|
Hupe
|
8
|
30A
|
Heckscheibenheizung
|
9
|
15A
|
Motorelektrik
DME
|
| 10 |
7,5A
|
Cockpit,
Bordcomputer
|
| 11 |
15A
|
Kraftstoffpumpe
|
12
|
7,5A
|
Radio, Checkcontroll,
Instrumente
|
| 13 |
7,5A
|
Abblendlicht
links
|
| 14 |
7.5A
|
Abblendlicht
rechts |
| 15 |
7,5A
|
Nebelschlussleuchten
|
| 16 |
15A
|
Sitzheizung
|
| 18 |
30A
|
Zusatzlüfter
Stufe 2
|
| 19 |
7,5A
|
Spiegelverstellung,
Spiegelheizung
|
| 20 |
30A
|
Heizungsgebläse
|
21
|
7,5A
|
Innenlicht,
Handschuhfachbeleuchtung, Gepäckraumleuchte, Handlampe, Uhr
|
22
|
7,5A
|
Rücklicht links
|
23
|
7,5A
|
Rücklicht rechts
|
24
|
15A
|
Warnblinkanlage
|
25
|
|
|
26
|
|
|
27
|
30A
|
ZV,
Türschlossheizung, DWA,
|
28
|
30A
|
Zigarettenanzünder,
Automatikantenne, Standheizung
|
29
|
7,5A
|
Nebelscheinwerfer links
|
30
|
7,5A
|
Nebelscheinwerfer rechts
|
Belegung Diagnosestecker E30
|
| Pin |
Kabelfarben |
Belegung |
1
|
sw
|
Zündplus (Klemme 1 der Zündspule)
|
2
|
|
|
4
|
brvi
|
Kühlwassertemperatur
|
5
|
|
|
6
|
|
Airbag
|
| 7 |
wsgn
|
SI Anzeige
zurückstellen
|
8
|
ge
|
OT Geber
|
9
|
Schirm
|
OT Geber |
| 10 |
sw
|
OT Geber |
| 11 |
swge
|
Anlasser
Klemme 50
|
12
|
bl
|
Generator Klemme 61
|
| 13 |
|
|
| 14 |
rt
|
Klemme 30
Dauerplus
|
| 15 |
wsge
|
RXD
Weckleitung
|
| 16 |
gnws
|
Klemme 15
gesichert
|
| 18 |
gnbl
|
Programmierspannung
DME Steuergerät
|
| 19 |
br
|
Masse
Klemme 31
|
| 20 |
wsvi
|
TXD Diagnose
|
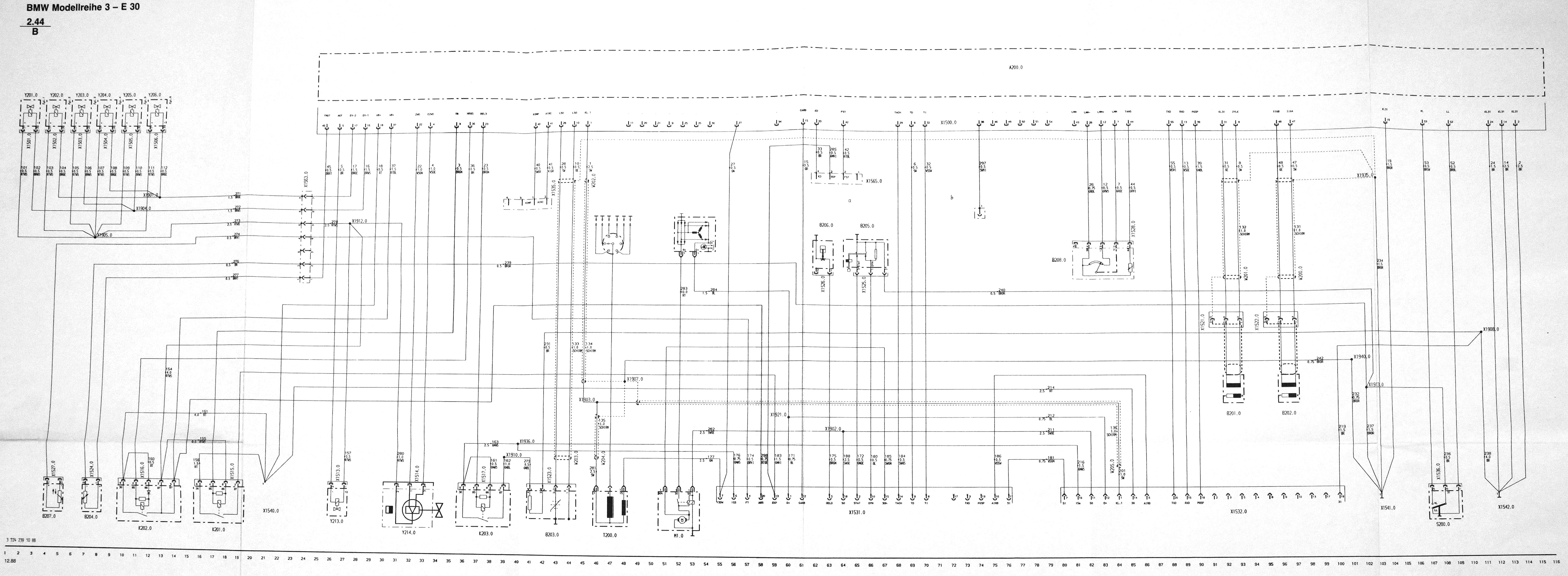
Schaltplan E30 320i/325i
M20 1987
|

Schaltplan E30 320i/325i
M20 1989
|

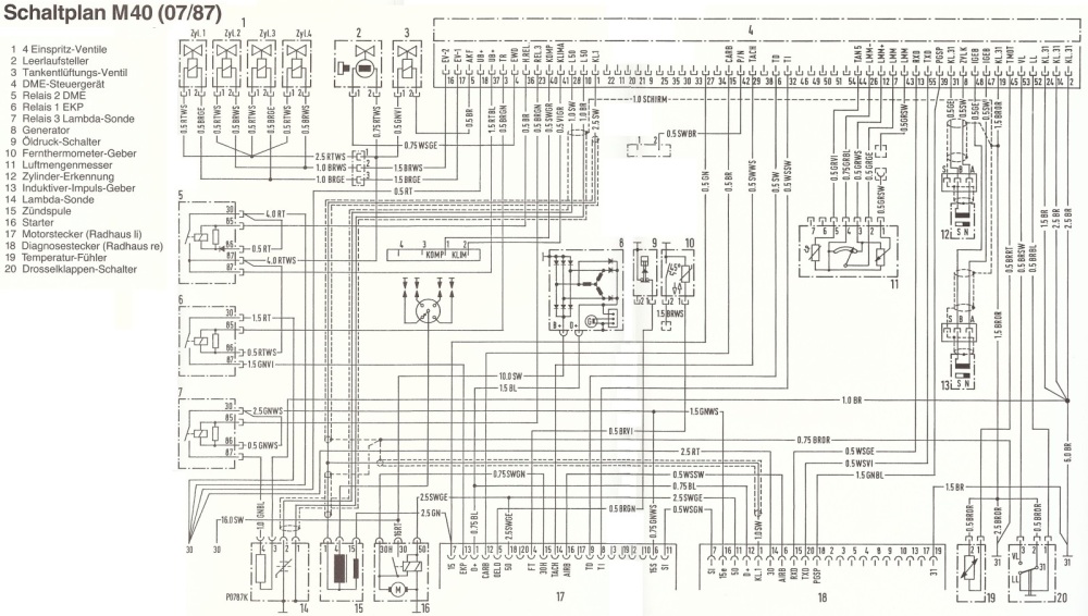
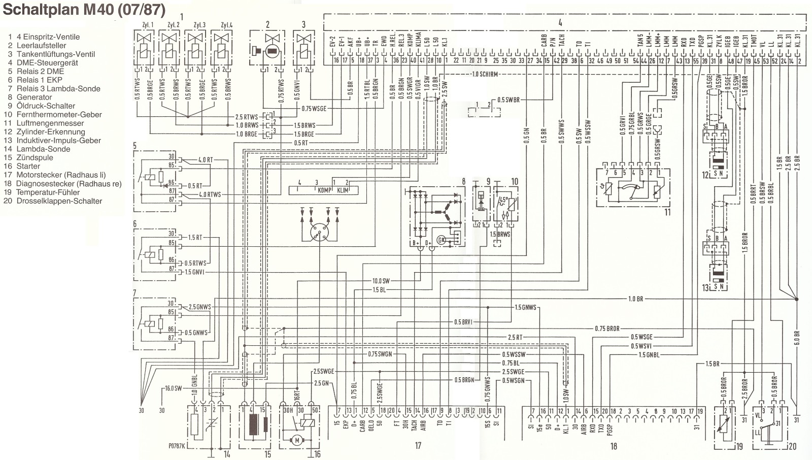
Schaltplan E30 316i/318i M40
|

PDF Funktionsweise Motronic 1.1
(M30 Motor)
tino@e30.de
|