FORUM WERKSTATT STORIES ARCHIV KLEINANZEIGEN
 
 
Bremsenupdate: M3 E30 auf 300x28

Wie schon in der Übersicht Bremsen E30 aufgeführt kann am M3 E30  (oder normalen E30 mit M3 E30 Federbeinen) relativ einfach eine 300mm Bremsanlage auf der Vorderachse konstruiert werden. 

Grundsätzlich ist zu Umbauten dieser Art zu bemerken, dass sie natürlich keine Arbeiten für den unbedarften Bastler darstellen. Ein gewissen Maß an Knowhow und Erfahrung sollte vorhanden sein. Seine persönlichen Grenzen sollte jeder realistisch einschätzen, schliesslich geht es um Sicherheitskomponenten, welche über Leben und Tod entscheiden. Weiterhin gibt es dafür auch keine ABE oder ähnliches. Vielmehr muss die Bremse per Einzeleintragung bei TÜV eingetragen werden.

Noch eine Aussage zur Dimensionierung: Mit entsprechendem Aufwand kann man fast jede der interessanten (größeren) Bremsanlagen aus aktuellen M3, M5 usw. am M3 E30 verbauen. Die größere Topftiefe kann mit Distanzscheiben hinter der Bremsscheibe ausgeglichen werden (Problem: beträchtliche Spurverbreiterung). Der Halter durch entsprechende Adapter weiter aussen montiert werden (Problem: Herstellungsaufwand). Dieser Aufwand läßt sich aber mit geschickter Materialwahl vermeiden, wie das nachfolgende Beispiel zeigt. 

Ein zusätzlicher nicht zu unterschätzender Aspekt ist das Gewicht von größeren Bremsanlagen. Die ungefederten Maßen werden beträchtlich größer, rein fahrtechnisch fühlt sich z.b. eine 325x30mm am E30 ähnlich wie eine deutlich größere und schwerere Alufelge an. Hier gilt es ähnlich wie bei einem Motorumbau einen Kompromiss zwischen Gewicht und Ergebnis zu finden. 300mm und ein recht geringer Umbauaufwand sprechen ganz klar für die nachfolgende Variante.
 

Auf dem linken Bild ist noch die serienmäßige Anlage mit 280mm Scheibe, danach ist die fertige 300mm Anlage zu sehen.

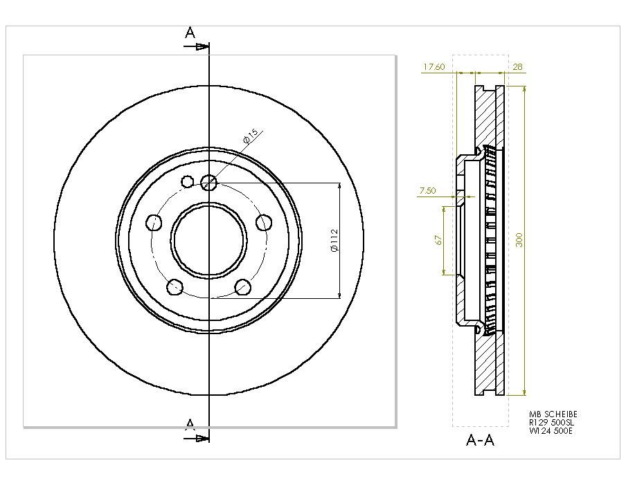
Bremsscheibe
Die verwendete Scheibe besitzt die Dimensionen 300x28 und wurde im Mercedes Benz W124 E500 oder R129 SL Modellen verbaut. Es gibt aber 2 verschiedene E500 Scheiben, wir brauchen die ältere und kleinere (geringere Topftiefe = 45,5mm).

Die Scheibe besitzt geeignete Dimensionen aber den falschen Lochkreis (5x112mm) und eine zu kleine Zentrierbohrung. Die Arbeiten sind somit klar: Lochkreis der Radbolzenöffnungen anpassen und Zentrierbohrung (Randnabenöffnung) auf der Drehbank erweitern. Weiterhin muss auch ein neues Loch für die Verdrehsicherung gebohrt werden. Das kann man am besten gleich machen wenn man eh die Löcher erweitert um auf von 112 auf 120mm zu kommen. Genaugenommen muss eigentlich nicht mal ganz auf Lockkreis 120 sondern nun 119 fräsen wenn man gleichen Lochdurchmesser (14mm) wie MB verwendet. 12mm würden für unsere Radbolzen locker reichen.
 
Bild 1 (oben links): die serienmäßige M3 E30 im Vergleich zur 500E 
Bild 2: CAD die unbearbeitete 500E Scheibe
Bild 3: CAD beide Scheiben im Vergleich
Bild 4: CAD die bearbeitet 500E Scheibe
Bild 5 (rechts): Scheibenbearbeitung auf der Fräsbank

Bremsssattel
Bremssattel, Bremssattelhalter und Bremsbel�ge sind vom E34 540i zu verwenden. Es kann nötig sein, die Beläge etwas runter zu schleifen (2mm) um die Montage zu erleichtern bzw. überhaupt zu ermöglichen.

Aufgrund der 4mm zu großen "ET" (Topftiefe) muss der Sattel eben um diese 4mm weiter zur Fahrzeugmitte mitwandern. Dazu muss der Bremssattelhalter an seiner Befestigungsfläche abgefräst werden und schon passts. Dazu einfach wie auf den Bildern den kleinen Vorsprung wegfräsen und somit bündig abfräsen. 4mm sind nicht zu erreichen, eher so 3,5mm. Man könnte natürlich theoretisch weiter in das Haltermaterial reinfräsen. Aber ist nicht nötig, es reicht innen am Sattel (siehe Pfeil) etwas Material abzunehmen, so dass die Scheibe nicht schleift. Den Rest gleicht der Schwimmsattel aus.
 
Bild 1 (oben links): der unbearbeitete Sattel eingespannt
Bild 2: diese Fläche wird gefräst
Bild 3: nach der Bearbeitung
Bild 4: nach der Bearbeitung
Bild 5 (rechts): Halter im Bereich Scheibenlauffläche nacharbeiten

Bilder: gsb2000@ntlworld.com

Text: tino@e30.de

Fertig umgebaut beim E30-Schrauber erhältlich