Gebläse vorne 318i Cabrio schaltet nicht ein
DiMe, Samstag, 22.10.2022, 12:41 (vor 1284 Tagen)
Hallo zusammen,
ich verfolge eure Beiträge regelmäßig und finde hierbei häufig auch Hilfe.
Mein Problem:
Das Gebläse vorne reagiert auf keine Schalterstellung - auch nicht auf Stufe 4!
Folgende Prüfungen habe ich entsprechend der Hinweise in den gefundenen Beiträgen vorgenommen:
1. Sicherungen im Sicherungskasten Motorraum gesichtet - keine defekt, für das Gebläse sollte es ja die Nr. 20 sein. Aber alle sind intakt!
2. Vorsichtshalber die augenscheinlich intakte Sicherung Nr. 20 ausgetauscht
3. Gebläseabdeckung im Motorraum geöffnet und eine Pluspol-Überbrückung von der Batterie zum Gebläsemotor hergestellt - und siehe da, er läuft sofort und schnurrt wie ein Kätzchen. Also sollte es nicht am Widerstand, den Kohlen oder dem Motor an sich liegen.
4. Kabelbaum oben an der Gebläseabdeckung - soweit sichtbar - auf Scheuerstellen untersucht - negativ
Bevor ich jetzt alles im Innenraum auseinander schraube möchte ich vorab einmal nach Tipps fragen.
Nach meiner Recherche könnte es jetzt noch ein Kabelbruch sein oder der Schalter selbst.
Kann man den Schalter prüfen?
Oder habt ihr noch eine andere Idee.
Für eure Beiträge/Hinweise vielen Dank vorab.
Gebläse vorne 318i Cabrio schaltet nicht ein
hel, Samstag, 22.10.2022, 15:12 (vor 1284 Tagen) @ DiMe
Schon Mal geprüft ob nicht einfach der Stecker am Schalter selber abgegangen ist?
Gebläse vorne 318i Cabrio schaltet nicht ein
DiMe, Samstag, 22.10.2022, 16:07 (vor 1284 Tagen) @ hel
Hallo Hel,
Ich habe auf deinen Hinweis dann doch die Konsole ausgebaut und die Anschlüsse überprüft. Alles korrekt, auch kommt Strom an und wird je nach Stufe unterschiedlich auf ie abgehenden Kabel durchgelassen. VG
Gebläse vorne 318i Cabrio schaltet nicht ein
hel, Samstag, 22.10.2022, 21:10 (vor 1284 Tagen) @ DiMe
Gut, was ist mit dem Widerstand?
Mal da den Stecker abziehen und auf Korrosion prüfen
Gebläse vorne 318i Cabrio schaltet nicht ein
DiMe, Samstag, 22.10.2022, 21:25 (vor 1284 Tagen) @ hel
Kannst du mir das mit dem Widerstand erklären.
Wo sitzt der genau.
Ich hatte heute früh den Motor freigelegt und auf das blaue Kabel am Motor eine Kabelbrücke zur Batterie gelegt.
Der Motor lief damit astrein.
Gebläse vorne 318i Cabrio schaltet nicht ein
BMWMartin
, Russland, Sonntag, 23.10.2022, 07:34 (vor 1283 Tagen) @ DiMe
Ist das von jetzt auf gleich passiert oder hast Du vorher was am Fahrzeug gemacht?
Gruß
Martin
--
Seit 2003 - E30 Fahrer, Schlachter, Schrauber und Hilfeleistender.
E30 Standardteilekonvolut vorhanden - bitte gerne Anfragen.
Gebläse vorne 318i Cabrio schaltet nicht ein
DiMe, Sonntag, 23.10.2022, 11:11 (vor 1283 Tagen) @ BMWMartin
Hallo Martin,
ich bin mir nicht ganz sicher, ob das irgendwie im Zusammenhang stehen kann.
Ich habe letztes Wochenende eine letzte Ausfahrt gemacht, dabei hat das Motorlager (Gummi) Beifahrerseite in einer Kurve den Geist aufgegeben und der Motorblock lag auf dem Lenkgebtriebe.
Im Anschluss habe ich den Motor mit einem Wagenheber angehoben und die Gummilager getauscht. Der Motor wurde dabei nach oben und gegen die Spritzwand gedrückt. Die Kabel liegen aber höherer.
Hast du eine Ahnung, warum du so gezielt fragst?
Gebläse vorne 318i Cabrio schaltet nicht ein
BMWMartin
, Russland, Dienstag, 25.10.2022, 09:12 (vor 1281 Tagen) @ DiMe
Ich hab' schon eine Ahnung weshalb ich so gezielt Frage
...weil wir uns im Forum schon manchmal irre gesucht haben bis der Fragesteller dann irgendwann um die Ecke kam mit: "ach ich habe vorher dies, das gemacht" und alles ein Folgefehler gewesen ist. Ohne diese Info, wird die Fehlersuche aber schwierig.
Das Massekabel am Motorhalter zum Längsträger ist wieder ordentlich an Ort und Stelle?
Benutze zum Messen mal lieber eine Prüflampe, dann siehst Du ob auch wirklich Strom fließt und nicht nur eine Spannung anliegt.
Bei Dir scheint entweder ein Kontaktproblem am Widerstand oder ein defekter Schalter vorzuliegen.
Einen Schalter kann ich Dir gegen Porto schicken, beim Vorwiderstand hilft oft Stecker säubern. Die haben zwar oft noch andere Fehler, aber bei Dir geht ja garnix. Da sind die anderen üblichen Fehler eher nicht zu suchen.
Gruß
Martin
--
Seit 2003 - E30 Fahrer, Schlachter, Schrauber und Hilfeleistender.
E30 Standardteilekonvolut vorhanden - bitte gerne Anfragen.
Gebläse vorne 318i Cabrio schaltet nicht ein
DiMe, Donnerstag, 27.10.2022, 19:57 (vor 1279 Tagen) @ BMWMartin
Hallo Martin,
ich bin dir noch Dank und eine Antwort schuldig.
Ja das Massekabel war von Anfang an wieder richtig montiert.
Den Verlauf des Problems habe ich bei den anderen Teilnehmern hinterlegt. Letztendlich war es dann wohl das Relais K7, das zumindest die Funktion wieder hergestellt hat.
Doch das neue Relais wird nach längeren Fahrten - ca. 1h - irre heiß und verliert dann die Funktion.
Bisher noch keine weiteren Ansätze.
Viele Grüße
Gebläse vorne 318i Cabrio schaltet nicht ein
DiMe, Sonntag, 23.10.2022, 11:21 (vor 1283 Tagen) @ BMWMartin
Sorry, bei der Ausfahrt funktionierte das Gebläse noch.
Gebläse vorne 318i Cabrio schaltet nicht ein
hel, Sonntag, 23.10.2022, 11:58 (vor 1283 Tagen) @ DiMe
Ich habe Mal einen kompletten Kabelbaum Heizungskasten Standard rausgeholt.
Ist sehr übersichtlich, soviel kann da nicht kaputt sein keine Bewegung drauf kommt, daher die Vermutung mit dem angegangen Stecker am Widerstand. Der ist links im Fussraum wenn die Mittelkonsole weg ist erkennbar
Gebläse vorne 318i Cabrio schaltet nicht ein
DiMe, Sonntag, 23.10.2022, 12:48 (vor 1283 Tagen) @ hel
Hallo Hel,
Schaue ich mir gleich an, habe nur keine Vorstellung wo der Stecker sein könnte.
Die Mittelkonsole habe ich abgebaut, so dass ich von unten an den Drehregler für die Lüftung komme.
Gebläse vorne 318i Cabrio schaltet nicht ein
DiMe, Sonntag, 23.10.2022, 16:05 (vor 1283 Tagen) @ hel
![[image]](images/uploaded/2022102314050763554a137cbdb.jpg)
Gebläse vorne 318i Cabrio schaltet nicht ein
hel, Sonntag, 23.10.2022, 17:23 (vor 1283 Tagen) @ DiMe
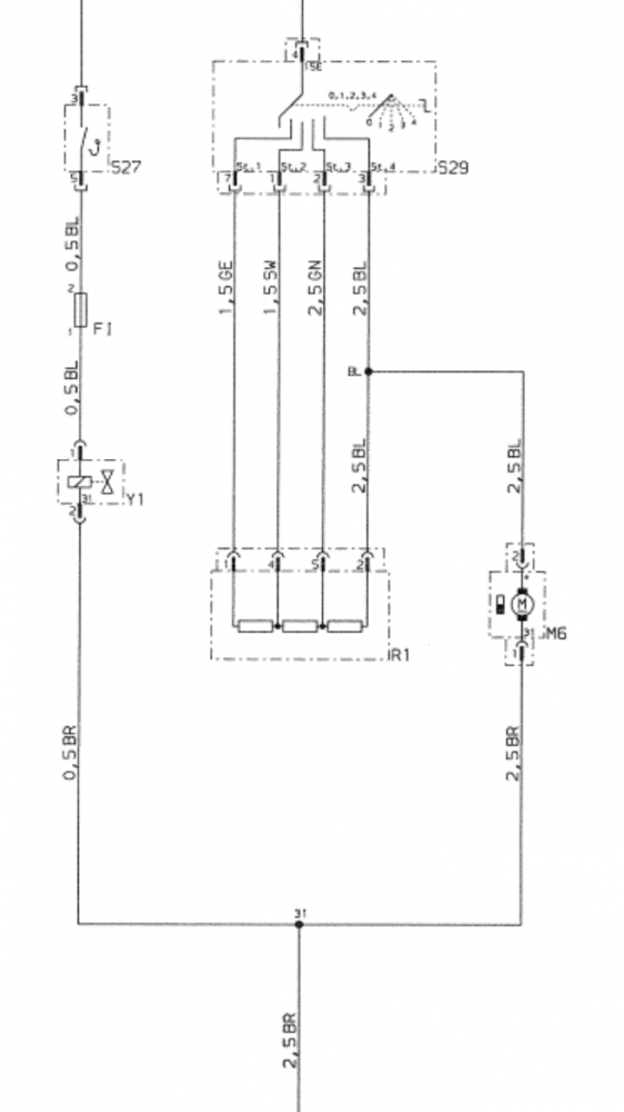
Auf dem Foto sieht man das ganz gut, dort wo die blau gelb und grün Leitung hingeht sitzt der Widerstand.
Gebläsekaszen ist also ohne klima oder Pollenfilter, da würde das Teil am geblsemotor sitzen.
Einfach Mal den Stecker abziehen und die Kontakte durchmessen oder brücken zur Prüfung
Gebläse vorne 318i Cabrio schaltet nicht ein
DiMe, Sonntag, 23.10.2022, 18:25 (vor 1283 Tagen) @ hel
Vielen Dank für die Unterstützung.
Ich weiß zwar noch nicht wie ich ran kommen soll - habe mir fast den Rücken gebrochen :), bin ja auch schon älteres Semester - aber ich werde mein Bestes geben.
Nur kurz zum Verständnis:
Der Drehschalter wird mit Strom versorgt, habe ich geprüft
Der Gebläsemotor läuft auch, wenn ich ihn zur Batterie überbrücke
Angenommen das Kabel vom Drehschalter - wie du schon vermutet hast - ist auch in Ordnung, dann würde der defekte Widerstand keinen Strom an den Motor weiterleiten.
Ist das so korrekt?
Gebläse vorne 318i Cabrio schaltet nicht ein
DiMe, Montag, 24.10.2022, 21:20 (vor 1282 Tagen) @ DiMe
Ich komme zwar Schritt für Schritt voran und dennoch verzweifele ich und bitte um Unterstützung.
Der aktuelle Stand ist wie folgt:
Nachdem hel mir die Platzierung des Widerstandes mitgeteilt hat, habe ich folgendes Problem - und ich möchte betonen, dass ich noch recht wendig bin :). Ich komme nicht an den Stecker ran und habe auch keine Idee, wie ich den Widerstand austauschen könnte.
Folgendes habe ich aber beim Durchmessen des Schalters festgestellt:
Wenn ich den Stecker vom Schalter abziehe und mit Plus fremdspeise, erhalte ich in jeder Schalterstellung auch die Eingangsspannung von 12 V.
Wenn ich den Stecker am Schalter belasse, habe ich auf allen Schalterstufen einen Spannungsverlust und erreiche max. 1,5 Volt.
Hier ein lauter Hilferuf, denn der Freundliche will den Wagen und einen Auftrag nach Aufwand. Das tut mir schon in den Ohren weh, an die etwaigen Arbeitseinheiten gar nicht zu denken.
Gebläse vorne 318i Cabrio schaltet nicht ein
Oli*
, Dienstag, 25.10.2022, 17:07 (vor 1281 Tagen) @ DiMe
Servus,
so schlimm ist es doch gar nicht, Du hast doch schon die Lösung: Der Schalter ist defekt.
Du scheinst ja die Stufen am Stecker schon gebrückt zu haben, schau Dir im Stecker den Kontakt 4 noch mal genauer an, also 12V, ist glaube ich gnbr. Und am Schalter auch. Aber wahrscheinlich ist der Kontakt im Schalter verbrannt.
Gruß
Oliver
Gebläse vorne 318i Cabrio schaltet nicht ein
DiMe, Dienstag, 25.10.2022, 19:21 (vor 1281 Tagen) @ Oli*
Hallo Oli,
erst einmal vielen Dank für deine Meldung.
Ich werde halb wahnsinnig. Erst dachte ich, ich wäre kurz vor dem Ziel. Doch anstelle einer Eingrenzung des Problems habe ich jetzt eine Ausweitung, unfassbar.
Hier der Status:
Ich habe nun den Widerstand herausbekommen und auch den Stecker am Widerstand gezogen, beides sieht echt gut aus, Kontaktprobleme und Defekte schließe ich aus.
Nun aber das Interessante:
Ich habe noch einmal den Drehschalter mit Fremdbestromung durchgeprüft und auf allen Schalterstellungen ein positives Ergebnis erhalten.
Nachdem ich die Stecker vom Kabelbaum entfernt hatte, habe ich heute Vormittag an der Zuleitung zum Drehschalter "gelb-grünes Kabel" 12 V geliefert bekommen.
Dann habe ich per Überbrückung die einzelnen Schalterstellungen - gelb-grün auf blau, gelb-grün auf schwarz usw. - nachgebaut und die Kabel zum Widerstand überprüft und siehe da, das blaue Kabel muss irgendwo defekt sein.
Dann fahre ich heute ca. 30 km zum Stoßdämpfertest und will mich daran machen, das blaue Kabel zu ersetzen. Und jetzt der Witz, nun bekomme ich auf dem Zuleitungskabel "gelb-grün" nur noch ca. 5V geliefert.
Dann habe ich direkt an der Sicherung nachgemessen und auch da liegen nur noch ca. 5V an.
Und die Spitze des Ganzen, ich messe die Nr. 19 direkt an der Sicherung nach und auch da liegen nur noch ca. 5V an. In der Betriebsanleitung lese ich, dies ist die Versorgung für die elektrischen Außenspiegel. Der Versuch die Spiegel zu verstellen misslingt natürlich, die Stellmotoren knurren nur leicht, aber keine Bewegung.
Nun bin ich mit meinem Laien-Latein am Ende. Alles gut gedacht und hoch motiviert angefangen und nun voll frustiert.
Meiner Meinung nach kann hier aufgrund des Spannungsverlustes nur ein Kabelproblem vorliegen.
Wie siehst du das?
Gebläse vorne 318i Cabrio schaltet nicht ein
schumi
, Mittwoch, 26.10.2022, 00:04 (vor 1281 Tagen) @ DiMe
Tausch die Sicherung aus.
Die Sicherungszuleitungen hängen alle oder zumindest viele zusammen. Wenn da nur 5V ankommen, wären andere auch betroffen. Von daher vermute ich, die Sicherung ist ziemlich durch und du hast auf der Lüfterseite gemessen, also nach den Schaden.
Das wäre ziemlich lustig, wenn dir auch die Sicherung durchbrannte, ich habe auch mal an einem Cabrio 1h mit Messen an der Lüftung investiert um später festzustellen, die Sicherung ist durch
Gebläse vorne 318i Cabrio schaltet nicht ein
Oli*
, Mittwoch, 26.10.2022, 10:47 (vor 1280 Tagen) @ DiMe
bearbeitet von Oli*, Mittwoch, 26.10.2022, 10:54
Also so wie ich Dich verstanden habe, hattest Du vorher die Lüfterstufen doch schon ohne Schalter ausprobiert mit entsprechendem Kurzschluss in dem Stecker?
Und da hats funktioniert.
Den Spannungsabfall am Schalter wirst Du nur unter Last haben, wenns der ist.
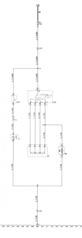
Das es ein Kabelbruch gibt, ist nicht sehr wahrscheinlich. Schumi hat ja schon gesagt, Sicherung F20 mal tauschen, und da kann man ja auch gut messen, ob da 12V unter Last anliegen.
Wenn Du am Stecker 4 mit 3 brückst, sollte der Lüfter loslaufen, sogar wenn kein Widerstand gesteckt ist.
![[image]](images/uploaded/202210260847296358f421c2b8e.png)
Gebläse vorne 318i Cabrio schaltet nicht ein
DiMe, Mittwoch, 26.10.2022, 19:48 (vor 1280 Tagen) @ DiMe
Hallo Schumi, hallo Oli,
zunächst vielen Dank für die Unterstützung.
Also heute früh habe ich mich mit dem Wagen auf den Weg zur Arbeit gemacht, aber vorher musste ich aus Neugier noch einmal die Stromversorgung - allerdings wie von euch schon bemerkt - nicht unter Last an der Zuleitung (gnbr) messen. Und ... dort kam nun wieder 12V an.
Ich messe sofort an der Sicherung nach - die habe ich übrigens sofort auf euren Hinweis getauscht - natürlich auf beiden Seiten. Und ... auch dort kommen nun wieder 12V an.
Auch meine Spiegel funktionieren wieder :), die Lüftung aber nicht. Wäre ja auch eine Fügung von oben gewesen. Spaß beiseite, ich hatte gestern Abend bei einem BOSCH-Dienst in der Nähe meines Arbeitsplatzes um Unterstützung beim Ausmessen gefragt und habe heute gleich einen Termin bekommen. Dort war ich nun und bin gerade daheim angekommen.
Der Meister war sehr interessiert (E30-/E36-Fan) und wusste was er tat, ich vergebe volle 5 Sterne!!!
Er hat als erstes am Stecker vom Drehschalter eine Überbrückung zum Plus des Zigarettenanzünders gebaut und ... siehe da der Lüftermotor sprang direkt an.
(Nur zur Erinnerung, ich hatte immer die Zuleitung gnbr vom Drehschalter als Versorgung genutzt)
Dann hat er den Drehschalter wieder aufgesteckt und die Plusversorgung vom Zigarettenanzünder ebenfalls auf die Zuleitung gnbr zum Drehschalter gelegt. Und ... alle Stufen des Schalters funktionierten und ich konnte hören wie sich der Lüftermotor freudig immer höher drehte.
Der Meister hat daraufhin die Versorgung am Sicherungskasten unter Last - aber ohne Überbrückung zum Zigarettenanzünder - geprüft. Und ... Stromabfall auf diesmal unter 5V.
Er meinte - wie ihr das auch angemerkt habt - ein Kabelbruch an diesem Bereich wäre ihm noch nicht untergekommen und hat sich direkt die Relaiswürfel im Sicherungskasten vorgenommen. Der zweite Versuch war der K7. Den hat er durch ein neues Relais mit 5 Steckern ersetzt, da er kein Passendes (das Original-Relais hat nur 4 Stecker) vor Ort hatte. Den mittleren Stecker weggebrochen, eingesteckt und ... es lief alles wie gewohnt! Also war das Relais K7 Schuld am Dilemma. Ich hab mich gefreut wie Bolle und fahre erleichtert heim.
Aber dies ist nicht das Ende der Story:
Kurz bevor ich in die Garage fahre denke ich mir, dreh doch noch einmal alle Stufen durch.
Bei 3 oder 4 quack, wieder alles lahmgelegt.
Ich fahre in die Garage, öffne sofort die Motorhaube!
1. Sicherung Nr. 20 i.O.
2. Relais K7, kochend heiß (ist aber für 30A ausgelegt)
3. Rufe direkt noch einmal den Meister an. Vorschlag zunächst: Original Relais kaufen und ausprobieren. Falls negativ weitersuchen.
Ich freue mich auf eure Kommentare/Beiträge. Viele Grüße
Gebläse vorne 318i Cabrio schaltet nicht ein
Janosch
, Donnerstag, 27.10.2022, 11:45 (vor 1279 Tagen) @ DiMe
bearbeitet von Janosch, Donnerstag, 27.10.2022, 11:49
Hallo,
das mit dem Entlastungsrelais K7 hat Dir vor drei Tagen schon "Vokuhila" im Nachbarforum geschrieben https://e30-talk.com/topic/207679-gebl%C3%A4se-will-nicht-mehr-318i-ohne-klima/#elContr...
Einmal kurz die allwissende Suchmaschine gefragt: https://www.google.com/search?client=opera&q=Entlastungsrelais+K7&sourceid=oper...
Gruß
Jan
Gebläse vorne 318i Cabrio schaltet nicht ein
DiMe, Donnerstag, 27.10.2022, 13:57 (vor 1279 Tagen) @ Janosch
Hallo Janosch,
daraufhin hatte ich dann ja auch einen BOSCH-Dienst aufgesucht, da ich nicht wusste wie man die Funktionalität von einem Relais prüfen kann.
Danke auch für deinen Link.
Problem scheint jedoch noch nicht bei der Wurzel gefunden zu sein.
Hast du vielleicht noch eine Idee warum das Relais K7 so heiß wird und dann anscheinend seine Arbeit nicht mehr verrichtet?
Heute früh - im abgekühlten Zustand - funktionierte alles wieder wie gewünscht!
Viele Grüße
Gebläse vorne 318i Cabrio schaltet nicht ein
Hacke, Elbflorenz (Dresden), Leipzig auf Arbeit, Freitag, 28.10.2022, 12:39 (vor 1278 Tagen) @ DiMe
Sieh mal nach, was alles an diesem Relais dran hängt. Dann würde ich mal nachmessen, was die einzelnen Verbaucher im Betrieb an Strom ziehen (nicht Spannung!) und sehen ob das plausibel ist.
--
Gruß, Peter.
Gebläse vorne 318i Cabrio schaltet nicht ein
DiMe, Sonntag, 30.10.2022, 13:11 (vor 1276 Tagen) @ Hacke
Hallo Peter,
danke für deinen Hinweis.
Ich hatte in der Zwischenzeit natürlich weitergesucht und -versucht.
Neben dem heißen K7 habe ich herausgefunden, dass die Sicherung Nr. 10 immer durchbrennt, wenn ich die Gebläsestufe auf 4 stelle. Dann macht es direkt quack.
Danach bin ich noch den Hinweisen zu Sicherung Nr. 10 nachgegangen und habe mir das Kabel vom Rückfahrlichtschalter vorgenommenen, kann aber auch hier keine Fehler bzw. durchgescheuerte Kabel feststellen. Wenn ich überbrücke macht der Schalter beim Einlegen des Rückwärtsgangs genau das was er soll.
Aber jetzt zu deiner vorgeschlagenen Messung, also was die Verbraucher im Betrieb an Strom (nicht Spannung!) ziehen und ob das plausibel ist.
Da ich nichts Besseres in den Foren fand, habe ich die Sicherung Nr. 10 entfernt und genau dort den Strom im Ruhestand und unter Last gemessen.
Hier die Ergebnisse in Ampere (1. Wert = Motor aus, 2. Wert = Motor an, Leerlauf)
Schalterstellung für Gebläse:
O - 0,42/0,24
1 - 3,0/3,23
2 - 4,5/4,9
3 - 6,3/7,0
4 - 7,7 bis 8,0/9,0
0 und Rückwärtsgang ein 3,2/3,0
Nicht plausibel erscheint mir als Hobby-Gärtner der Wert bei Schalterstellung 4. Die Sicherung Nr. 10 wird lt. BMW-Betriebsanleitung mit 7,5 A angegeben. Also muss diese dann bei meinen Werten in Schalterstellung 4 durchbrennen.
Aber was nun?
Könnte es vielleicht doch mit dem Fakt zu tun haben, dass ich den Motor angehoben habe und ich irgendetwas übersehen habe?
VG Dirk
Gebläse vorne 318i Cabrio schaltet nicht ein
Hacke, Elbflorenz (Dresden), Leipzig auf Arbeit, Sonntag, 30.10.2022, 17:52 (vor 1276 Tagen) @ DiMe
So schlecht sehen die Werte eigentlich gar nicht aus, aber zugegebenermaßen fehlen mir die Vergleichswerte. Vieleicht denke ich morgen dran und messe das mal bei meinem Touristen.
Vieleicht is auch nur das Gebläse schon so schwergängig, daß es mehr Strom "zieht" als normal. Wer weiß. Ich würde die Lager vom Gebläse mal etwas mit WD40 oder etwas Vergleichbarem flute und nochmal messen.
--
Gruß, Peter.
Gebläse vorne 318i Cabrio schaltet nicht ein
DiMe, Sonntag, 30.10.2022, 22:34 (vor 1276 Tagen) @ Hacke
Hallo Peter,
hier noch ein wichtiger Hinweis aus dem Nachbarforum.
Normalerweise wird das Gebläse über die Sicherung Nr. 20 abgedeckt, die Messergebnisse habe ich aber nur über den 10er-Steckplatz gemessen.
Folgendes habe ich dann ausprobiert:
Zündung an und Gebläsestufe auf 2 –> ich höre das Gebläse säuseln, ziehe Sicherung 10 und alles tot/leise
Zündung an und Gebläsestufe auf 2 –> ich höre das Gebläse säuseln, ziehe Sicherung 20 und alles tot/leise (Nr. 10 drin)
Also das Gebläse reagiert auf beide Sicherungen!
Ich werd verrückt!
VG Dirk
Gebläse vorne 318i Cabrio schaltet nicht ein
Oli*
, Montag, 31.10.2022, 14:49 (vor 1275 Tagen) @ DiMe
Sicherung 20 ist richtig und normal, die sichert, wie oben zu sehen, das Gebläse und Heizungsventil.
Sicherung F10 ist K7, das ist das Entlastungsrelais. Das schaltet beim starten einige starke Verbraucher-Relais, wie das der Lüftung, ab. Es ist also normal, dass die Lüftung ohne F10 auch nicht geht.
Hast Du jetzt das richtige Relais drin?
Gebläse vorne 318i Cabrio schaltet nicht ein
Oli*
, Montag, 31.10.2022, 15:57 (vor 1275 Tagen) @ DiMe
Nicht plausibel erscheint mir als Hobby-Gärtner der Wert bei Schalterstellung 4. Die Sicherung Nr. 10 wird lt. BMW-Betriebsanleitung mit 7,5 A angegeben. Also muss diese dann bei meinen Werten in Schalterstellung 4 durchbrennen.
Die Werte scheinen mir erst einmal plausibel.
!Aber! die Sicherung 10 hat mit dem Heizungslüfter direkt nix zu tun, die darf nicht fliegen, wenn Du am Lüfter spielst. Sicherung 10 versorgt die Spulen von K5, K7, einige Lampen im Kombi (Handbremse, Bremsflüssigkeit, Öldruck) ein paar der Instrumente und Service Intervall-Anzeige . Dazu noch die Diagnose-Anzeige und Airbag-Stecker.
Das Relais K7 wiederum versorgt F19 und F20. An F20 hängt der Lüfter-Motor. K7 darf nicht heiß werden ohne das F19 oder F20 einen Abgang machen.
Gebläse vorne 318i Cabrio schaltet nicht ein
DiMe, Montag, 31.10.2022, 19:40 (vor 1275 Tagen) @ Oli*
bearbeitet von DiMe, Montag, 31.10.2022, 19:55
Hallo Olli,
vielen Dank für deine Unterstützung, dein/euer Know-how hat mich wirklich beeindruckt, chapeau!
Auch deine Frage, ob ich jetzt das richtige Relais drin habe, hat mich noch einmal angetrieben.
Ich hatte ja die Relais schon einmal getauscht, aber nur auf Wärmeentwicklung überprüft. Heute habe ich noch einmal nachgemessen.
Aber hier meine letzten Schritte:
- Bosch-Relais vom K7-Steckplatz entfernt, keine weitere Verwendung
- Hupenrelais K2 auf K7 gesetzt
- K2-Steckplatz blank gelassen
- Zündung an
- Gebläse auf Stufe 2 und es läuft
- S10 gezogen und alles tot, habe aber vom K7 ein Schaltgeräusch - Abschaltung - gehört
- Überbrückung der Kontakte von S10 mit Multimeter, Anzeige 0,52 Ampere
- Gebläse auf Stufe 3 hochgeschaltet, Anzeige 0,52 A
- Gebläse auf Stufe 4 erhöht, Anzeige 0,52 A
- Multimeter weg und S10 - 7,5 A - wieder eingesetzt, Gebläse läuft
- Gebläse stufenweise auf von 2 auf 4 hochgeschaltet, und - wie jetzt zu erwarten - S10 hält
Die letzte Vermutung aus dem Nachbarforum - meine letzte Hoffnung - „dass das Bosch-Relais eine unpassende Kontaktbelegung hat und den ungewollten Stromfluss ermöglicht“ hat sich tatsächlich bewahrheitet.
Insgesamt war das dann wohl eine Verkettung von Umständen und Wirkungen, gepaart mit meinem Hobby-Gärtner-Wissen, die ich so nicht erwartet hätte.
Woher beziehst du denn defekte Relais?
VG Dirk
Gebläse vorne 318i Cabrio schaltet nicht ein
DiMe, Montag, 31.10.2022, 21:36 (vor 1275 Tagen) @ DiMe
Natürlich nicht defekte sondern im Falle von defekten. Neu oder gebraucht
Gebläse vorne 318i Cabrio schaltet nicht ein
Oli*
, Dienstag, 01.11.2022, 00:27 (vor 1275 Tagen) @ DiMe
Standard-Relais bei Stahlgruber, einfach weil das mein normaler Teilefuzzi ist,
oder einfach BMW. Die spezifischen BMW. Die Dinger halten in der Regel ewig, deswegen ist es auf die Lebenszeit gesehen egal, ob man 8 oder 15€ dafür bezahlt.
Wobei Du Dir die auch einfach aus einem Schrottauto ziehen kannst, es wird nicht alle bei BMW ab Lager geben.
Gebläse vorne 318i Cabrio schaltet nicht ein
DiMe, Dienstag, 01.11.2022, 11:02 (vor 1274 Tagen) @ Oli*
I..O., da ich Stahlgruber leider nicht in der Nähe habe :) und ich ja auch über den gesamten Prüfprozess einiges an Austauschteilen gespart habe werde ich dann wohl den Freundlichen aufsuchen.
Dir/euch nochmals vielen lieben Dank, ich hoffe das war es jetzt.
PS: habe bei der Demontage der Konsole festgestellt, dass das Vorventil für die Heizung - unten am Wärmetauscher zur Fahrerseite hin - undicht ist und Kühlwasser austropft. Es geht also an anderer Stelle weiter!
VG Dirk

![[image]](images/uploaded/202210260850506358f4ea7e6be.png)
![[image]](images/uploaded/202210260851046358f4f872cfb.png)