E30 3/R Chromzierleiste Verdeckkastenklappe
![[image]](images/uploaded/2021071408033860ee9a5ad6569.jpg)
Hallo zusammen,
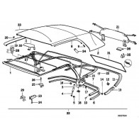
manche Bauteile bröseln ob des Alters einfach dahin... ich suche die Einstecktülle für den Clip der seitlichen Chromzierleiste an der Verdeckkastenklappe - im Bild die Pos. 14: gibt's die irgendwo noch, oder wisst ihr dafür eine passende Alternative?
Danke für eure Tipps - Cheers
E30 3/R Chromzierleiste Verdeckkastenklappe
Leebmann 24de machts möglich.
14 Tülle
HerstellerOriginal BMW / MINITeilenummer 51121867907 Zusatzinformation-Verbaut ab / bis-Verbaumenge2Lenkung-Gewicht0.001 kg
Lieferzeit 1-2 Tage
0,90 €
Gruß
Jürgen
E30 3/R Chromzierleiste Verdeckkastenklappe
TOP! Werd' ich gleich checken...!
Danke & Cheers - Thura
