TD-Signal für externen Drehzahlmesser nutzen?
cathead, Donnerstag, 09.05.2019, 15:12 (vor 2568 Tagen)
Hallo zusammen,
bin neu hier im Forum. Ich habe einen E30 320is den ich nach 1988er Gruppe A Reglement aufgebaut habe. Da ich nun das Kombiinstrument ausbauen möchte und durch einen LINDER Armaturenträger ersetze hätte ich eine Frage.
Das Signal für den DZM kommt ja von der Motronic über den 20-Poligen Motorstecker PIN9 über den blauen Stecker I (am Kombiinstrument) PIN 7, Adernfarbe schwarz, an den DZM.
Meine Frage ist nun ob ich dieses Signal (KL TD) für einen externen Drehzahlmesser, z.B. VDO nutzen darf?
Natürlich kann ich das Signal auch von der Zündspule KL 1 holen, aber wenns schon im Fahrzeg ist...
Vielen Dank!
Grüße,
Marco
TD-Signal für externen Drehzahlmesser nutzen?
Andreas Schneider
, Donnerstag, 09.05.2019, 16:18 (vor 2568 Tagen) @ cathead
Das Drehzahlsignal sollte Rechteck 12V sein,
ob das zum Instrument passt sollte das Datenblatt hergeben.
Gruß
Andi
--
Reparaturen von Kombiinstrumenten - E23 - E24 - E28 - E30
https://forum.6ercoupe.de/
http://e28-forum.lewonze.de/forum/
http://www.7-forum.com/forum/forumdisplay.html?f=6
TD-Signal für externen Drehzahlmesser nutzen?
cathead, Freitag, 10.05.2019, 08:38 (vor 2567 Tagen) @ Andreas Schneider
Guten Morgen,
danke für eure Hilfe. Was genau der VDO Drehzahlmesser für ein Signal benötigt kann ich nicht genau sagen. In der Beschreibung steht nur:
Ansteuerung: Benzinmotor = Kl. 1 Zündspule.
So habe ich meine externen DZM auch schon seit Jahrzehnten an meinen Oldtimern angeschlossen. Die Haben aber alle keine Steuergeräte
Aber beim 320is (mit ECU) wusste ich nicht ob ich das TD Signal einfach verwenden darf, ohne etwas an der MOTRONIC zu schrotten.
TD-Signal für externen Drehzahlmesser nutzen?
Oli*
, Freitag, 10.05.2019, 10:59 (vor 2567 Tagen) @ cathead
Der Motronic macht das nix, das Instrument wird nur relativ hochohmig da dran hängen.
An Klemme 1 findet man auch nur 12V, die bei Zündung von der DME nach Masse gezogen werden.
Der Drehzahlmesser sollte wahrscheinlich auch mit dem Drehzalsignal funktionieren. Falls nicht, müsste man schauen, ob man nicht einen Pullup brächte.
Ich habe da gerade ein ähnliches Problem beim Auto von nem Kumpel.
Verbaut ist ein 1JZ GTE in einem E30.
Originales Setup: ECU gibt Zündsignal an eine "Ignitor"-Box, die feuert die treiberlosen Zündspulen und gibt ein Signal (IGF) an die ECU zurück, über die Qualität der Zündung zwecks Aussetzererkennung. Desweiteren geht eine Leitung als Drehzahlausgang aus der Box.
Dieses Setup haben wir jetzt umgestellt auf Spulen mit integriertem Trieber, welche einen Pin für die Rückmeldung (IGF; Aussetzererkennung) an die ECU haben. Die habe ich einfach gebündelt, damit kommt die ECU wohl klar. (Forenwissen)
Die Ignitor-Box fällt damit weg.
Was jetzt noch fehlt ist das Drehzahlsignal!
Ich vermute, dass das IGF-Signal auch nur eine Rechteckfrequenz (allerdings 5V) ist.
Wenn ich dieses Signal jetzt auf die Basis eines MosFets gebe und darüber 12V an den Drehzahlmesser schicke, dann vermute ich (bin kein Elektroniker!), dass der erstmal tut.
Allerdings habe ja dann auch einen Spannungsabfall auf der Signalleitung, womit dann das IGF-Signal geschwächt und evtl. von der ECU nicht mehr akzeptiert wird, oder?
Kannst Du hier Licht ins Dunkel bringen?! 
@Oli*
Andreas Schneider
, Samstag, 11.05.2019, 08:06 (vor 2566 Tagen) @ esgey
Hi,
Was jetzt noch fehlt ist das Drehzahlsignal!
Ich vermute, dass das IGF-Signal auch nur eine Rechteckfrequenz (allerdings 5V) ist.
Wenn ich dieses Signal jetzt auf die Basis eines MosFets gebe und darüber 12V an den Drehzahlmesser schicke, dann vermute ich (bin kein Elektroniker!), dass der erstmal tut.
Allerdings habe ja dann auch einen Spannungsabfall auf der Signalleitung, womit dann das IGF-Signal geschwächt und evtl. von der ECU nicht mehr akzeptiert wird, oder?Kannst Du hier Licht ins Dunkel bringen?!
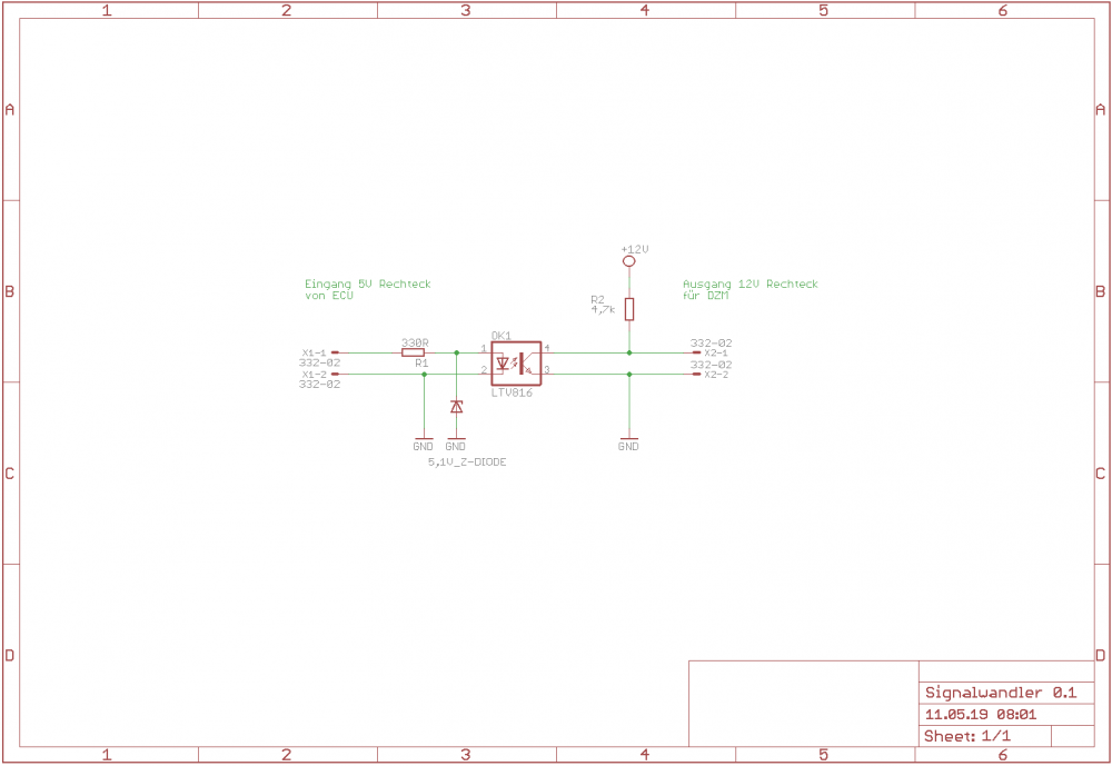
möglicherweise.....
Auf die Schnelle ein Schnipsel Schaltplan:
![[image]](images/uploaded/201905110602295cd66575cf7b1.png)
So würdest Du das Eingangssignal (5V Rechteck) sauber von der 12V Seite trennen.
Das Eingangssignal wird so auf 15mA und Spannungsmäßig auf 5V begrenzt.
Sollte das zu viel Strom sein, den R1 erhöhen; je nach Optokoppler.
Mit dem Pullup am Ausgang hast Du somit ein neues 12V Rechteck.
Gruß
Andi
--
Reparaturen von Kombiinstrumenten - E23 - E24 - E28 - E30
https://forum.6ercoupe.de/
http://e28-forum.lewonze.de/forum/
http://www.7-forum.com/forum/forumdisplay.html?f=6
Wenn Du ein Osci hast, kannst Du einfach ausprobieren, ob das 5V Signal nicht beides treiben kann. Wahrscheinlich schon.
Bei den Frequenzen wird nicht mal eine Sternverteilung ein Problem sein, besser wäre der Anschluß in Serie.
Ansonsten hindert dich doch nix, so eine Schaltung wie die von Andreas einmal für 12V und einmal für 5V zu bauen.
Gruß
Oliver
